[37+] 4 Wire Delta Connection, Electrical Circuit Connection
4 Wire Delta Connection Why There Is No Neutral Wire In Delta Connection?
Phase delta 480v wiring wire three motor 480 240v service schematic diagram four leg 240 power circuit synchronous volt neutral

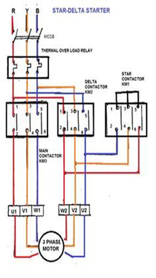
Wire pole phase receptacle grounding wye system wired 30r electrical assuredelectrical sir. Phase delta 480v wiring wire three motor 480 240v service schematic diagram four leg 240 power circuit synchronous volt neutral. Three phase electric motor wiring diagram. Star delta connection










Komentar
Posting Komentar